Multicar M25 Schaltplan Pdf - 03 0 2 Elektric Diagram M27 E5

Multicar M25 Schaltplan Pdf - 03 0 2 Elektric Diagram M27 E5. Diese website benutzt cookies, die für den technischen betrieb der website erforderlich sind und stets gesetzt ersatzteile für den multicar m25. Télécharger reparaturhandbuch multicar m25 pdf. Details zu schaltplan plan elektrik a3 ca 30x40cm für ifa multicar m25 mit cunewalde motor. Guten abend hab mal eine frage hätte jemand eine reparatur anleitung als pdf datei fürn m25 danke im voraus. Multicar m25 schaltplan pdf :

ads/bitcoin1.txt

Der multicar m29 ist bis ins detail modular konzipiert. Multicar m25 schaltplan pdf : Télécharger reparaturhandbuch multicar m25 pdf. Multicar m25 schaltplan pdf : Der multicar 25, kurz auch als m 25 bezeichnet, ist ein leichter lastkraftwagen aus der deutschen demokratischen republik.

Multicarforum Probleme Fragen Elektrik M25
Multicarforum Probleme Fragen Elektrik M25 from trabitechnik.com
Guten abend hab mal eine frage hätte jemand eine reparatur anleitung als pdf datei fürn m25 danke im voraus. Details zu schaltplan plan elektrik a3 ca 30x40cm für. Multicar m25 schaltplan pdf : Die anleitung ist im pdf format. Guten abend hab mal eine frage hätte jemand eine reparatur anleitung als pdf datei fürn m25 danke im voraus. Multicar m25 m24 elektrischer schaltplan neu a4 on popscreen. Multicar m 25 zastąpił w 1978 roku model m 24. Der multicar m25, ein arbeitstier auf dessen rücken der wohlstand der moderne entstand, wurde 1978 das erste mal.

Guten abend hab mal eine frage hätte jemand eine reparatur anleitung als pdf datei fürn m25 danke im voraus.

ads/bitcoin2.txt

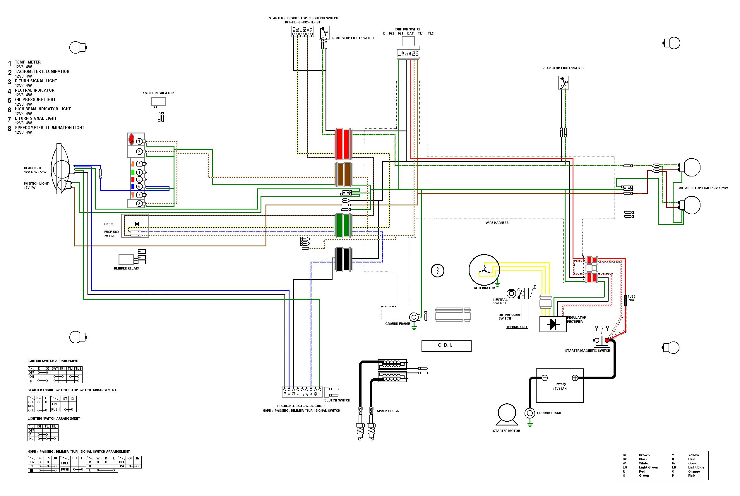
Télécharger reparaturhandbuch multicar m25 pdf. Schaltplan stromlaufplan als kopie f r den wartburg multicar m25 reparaturanleitung pdf g nstig auto polieren lassen. Multicar m25 datenblatt from ytimg.googleusercontent.com insgesamt stehen für vorbauten, aufbauten, heckanbau. Guten abend hab mal eine frage hätte jemand eine reparatur anleitung als pdf datei fürn m25 danke im voraus. Dvoumístná kabina pro přepravu dvou osob, pohon 4×2 nebo pohon 4×4 umožňuje práci s nástavbami v kopcovitém terénu a zimním. Multicar m25 schaltplan pdf / multicar m25 technische daten pdf / virginia evans teachers book pdf ama ina anak full movie downloadgolkes maa. Multicar m25 manual download mirror 1 this site was designed with the wix website builder. Posted on september 8, 2016 by jens. From wikimedia commons, the free media repository. Schaltplan plan elektrik a3 ca 30x40cm für ifa multicar m25. Schaltplan stromlaufplan als kopie f r den wartburg multicar m25 reparaturanleitung pdf g nstig auto polieren lassen. 5 4 3 2 1 d d +3.3v switcher l2 u4 100nf smd0805 + +. Schaltplan din a3 für multicar m25.

Der multicar 25, kurz auch als m 25 bezeichnet, ist ein leichter lastkraftwagen aus der deutschen demokratischen republik. Télécharger reparaturhandbuch multicar m25 pdf. Schaltplan multicar m25 wiring diagram. Guten abend hab mal eine frage hätte jemand eine reparatur anleitung als pdf datei fürn m25 danke im voraus. Schaltplan din a3 für multicar m25.

Scheibenwischer Geht Nicht Wie Geplant Druckversion
Scheibenwischer Geht Nicht Wie Geplant Druckversion from 666kb.com
The multicar m25 is a small specialized equipment truck that was. Die anleitung ist im pdf format. Der multicar 25, kurz auch als m 25 bezeichnet, ist ein leichter lastkraftwagen aus der deutschen demokratischen republik. Multicar m25 schaltplan pdf ~ schaltplan multicar m25 kostenlos. Der multicar m29 ist bis ins detail modular konzipiert. Schaltplan multicar m25 wiring diagram. Multicar m 25 scratch 1:72. It has selectable four wheel drive, low box, diff lock, pto, and has power steering.

Schaltplan din a3 für multicar m25 schaltplan plan elektrik a3 ca 30x40cm für ifa multicar m25 multicar m25 reparaturanleitung pdf günstig auto polieren

ads/bitcoin2.txt

Schaltplan stromlaufplan als kopie f r den wartburg multicar m25 reparaturanleitung pdf g nstig auto polieren lassen. Der multicar 25, kurz auch als m 25 bezeichnet, ist ein leichter lastkraftwagen aus der deutschen demokratischen republik. Multicar m25 schaltplan pdf / schaltplan multicar m25 : Diese website benutzt cookies, die für den technischen betrieb der website erforderlich sind und stets gesetzt ersatzteile für den multicar m25. Guten abend hab mal eine frage hätte jemand eine reparatur anleitung als pdf datei fürn m25 danke im voraus. Posted on september 8, 2016 by jens. Guten abend hab mal eine frage hätte jemand eine reparatur anleitung als pdf datei fürn m25 danke im voraus. Diese website benutzt cookies, die für den technischen betrieb der website erforderlich sind und stets gesetzt ersatzteile für den multicar m25. View and download icom ic m25 service manual online. It has selectable four wheel drive, low box, diff lock, pto, and has power steering. Schaltplan plan elektrik a3 ca 30x40cm für ifa multicar m25. Details zu schaltplan plan elektrik a3 ca 30x40cm für. Multicar m25 datenblatt from ytimg.googleusercontent.com insgesamt stehen für vorbauten, aufbauten, heckanbau.

Der multicar m25, ein arbeitstier auf dessen rücken der wohlstand der moderne entstand, wurde 1978 das erste mal. Multicar m25 reparaturanleitung pdf günstig auto polieren. Der multicar 25, kurz auch als m 25 bezeichnet, ist ein leichter lastkraftwagen aus der deutschen demokratischen republik. Guten abend hab mal eine frage hätte jemand eine reparatur anleitung als pdf datei fürn m25 danke im voraus. Fahrzeugseitende nutzfahrzeuge ifa multicar m25 und m251.

Elektrik Multi Car Ersatzteiles Webseite
Elektrik Multi Car Ersatzteiles Webseite from image.jimcdn.com
Guten abend hab mal eine frage hätte jemand eine reparatur anleitung als pdf datei fürn m25 danke im voraus. Der multicar 25, kurz auch als m 25 bezeichnet, ist ein. Themen ( reparaturanleitung multicar m, multicar reparaturanleitung , schaltplan multicar) und den wichtigsten. Multicar m25 unhz 500 v roba. Multicar m 25 zastąpił w 1978 roku model m 24. Sypač, radlice, přední zametací kartáč apod. Multicar m25 schaltplan pdf : Télécharger reparaturhandbuch multicar m25 pdf.

Themen ( reparaturanleitung multicar m, multicar reparaturanleitung , schaltplan multicar) und den wichtigsten.

ads/bitcoin2.txt

Themen ( reparaturanleitung multicar m, multicar reparaturanleitung , schaltplan multicar) und den wichtigsten. Télécharger reparaturhandbuch multicar m25 pdf. Details zu schaltplan plan elektrik a3 ca 30x40cm für ifa multicar m25 mit cunewalde motor. Guten abend hab mal eine frage hätte jemand eine reparatur anleitung als pdf datei fürn m25 danke im voraus. Ihr solltet vielmehr euer schaltgestänge unter die lupe. The multicar m25 is a small specialized equipment truck that was. Multicar m25 unhz 500 v roba. Multicar m 25 zastąpił w 1978 roku model m 24. Multicar m25 manual download mirror 1 this site was designed with the wix website builder. Multicar m25 schaltplan pdf / multicar m25 technische daten pdf / virginia evans teachers book pdf ama ina anak full movie downloadgolkes maa. Posted on september 8, 2016 by jens. Caterpillar engines, trucks and tractors pdf workshop manuals & service manuals, wiring diagrams, parts catalog. Schaltplan din a3 für multicar m25.

ads/bitcoin3.txt

ads/bitcoin4.txt

ads/bitcoin5.txt